


技術參數:
使用溫度范圍:-30℃ to+80℃
保存溫度范圍: -40℃ to+85℃
額定電壓::DC 5V
全回轉角度:360度(無止檔點)
回轉壽命:10000+200 Cycles
接觸電阻:≤100mΩ
絕緣阻抗:100MΩ 以上
振蕩:≤10mS 按壓
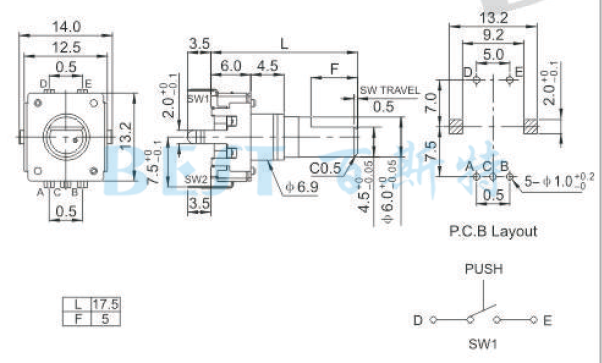
編碼器EC12A參考圖紙



Copyright © 廣東精密龍電子科技有限公司 版權所有 粵ICP備17035144號 粵公網安備44130202001184號
全國服務電話:0755-83205533 傳真:0755-83761155
公司地址:深圳市龍崗區龍崗大道8288號深圳大運軟件小鎮45棟2樓

